Home
JAQForum Ver 24.01
Log In or Join  
Active Topics
Local Time 17:33 29 Apr 2026 Privacy Policy
Jump to

Notice. New forum software under development. It's going to miss a few functions and look a bit ugly for a while, but I'm working on it full time now as the old forum was too unstable. Couple days, all good. If you notice any issues, please contact me.

Forum Index : Microcontroller and PC projects : Getting the best out of Pico ADC

     Page 5 of 17    
Author Message
NPHighview

Senior Member

Joined: 02/09/2020
Location: United States
Posts: 219
Posted: 06:56pm 12 Aug 2023
Copy link to clipboard 
Print this post

OK - now we're getting somewhere.  The listing below is for a fairly general purpose single-channel oscilloscope on the Waveshare RP2040-LCD-0.96. Three voltage ranges, six timing ranges, and three triggering modes are selectable via either terminal emulator or debounced front-panel switches. The code displays a "lost trigger" message if none has been detected in 2.5 seconds, and recovers when the trigger is restored or the trigger condition is changed.

Now, on to design for a carrier board with probe lead jacks, and a 3D printed enclosure!








' PicoScope - a simple oscilloscope on the RP2040-LCD-0.96
' NPHighview (Steve Johnson)  August, 2023
'
' Test   Signal output on GP18 / Pin 24
' Analog Signal input  on GP26 / Pin 31
'
' Scope Controls (via serial input from terminal emulator):
'  Voltage: 0, 1, 2         to change vertical scale
'  Time:    Faster, Slower  to change horizontal scale
'  Trigger: Up, Down, None  to change trigger criteria
'
' Sampling, Test Signal, Triggering, Framebuffers from stanleyella
' Math & Memory Copy from matherp
' Ganssle's switch debounce routine from CaptainBoing and NPHighview
' Graticules, Array Drawing, variable scales & triggering from NPHighview

Option EXPLICIT

Const PWM_Freq   =   5000         ' Frequency for Test Signal on Pin 24
Const Debounce   =  &H7FF         ' Debounce delay for front panel switches

Const Hres       = MM.HRes        ' Horizontal screen resolution
Const Vres       = MM.VRes        ' Vertical   screen resolution

' Specifically For Waveshare RP2040-LCD-0.96

Const Major      = Vres/4         ' Major tic mark spacing
Const Minor      = Major/4        ' Minor tic mark spacing

Const V_sw       = 1              ' GP0 on the Pico and Waveshare RP2040-LCD-0.96
Const T_sw       = 2              ' GP1 ""
Const A_sw       = 4              ' GP2 ""

' Generic to all displays

Const HMajor     = Hres/Major     ' How many Horiz Major Tic marks
Const VMajor     = Vres/Major     ' How many Vert  Major Tic marks
Const HMinor     = Hres/Minor     ' How many Horiz Minor Tic marks
Const VMinor     = Vres/Minor     ' How many Vert  Minor Tic marks

Const Background = RGB(32,64,32)  ' Color for Display background, a la Tektronix scopes
Const GMajor     = RGB(black)     ' Color for Major tic marks
Const GMinor     = RGB(black)     ' Color for Minor tic marks
Const Signal     = RGB(yellow)    ' Color for displayed signal
Const TxtColor   = RGB(cyan)      ' Color for displayed text

Const Trig_None  = 0
Const Trig_Down  = 1              ' Enumerate possible trigger conditions
Const Trig_Up    = 2

Const ADC_Max    = 5
Const V_Max      = 2
Const Trig_Max   = 2

' Declare storage

Dim INTEGER c, n, x, y, trigger, Vselect, Trig_Type, ADC_select
Dim INTEGER v_btn, t_btn, a_btn   ' Counters to do switch debouncing

Dim INTEGER Horizontal(Hres)      ' Horizontal coordinate buffer for fast graticule and buffer draw
Dim FLOAT   sample(2*Hres)        ' Extra size to hopefully pick up a trigger event
Dim FLOAT   buffer(Hres)          ' Display buffer for screen output
Dim INTEGER addr.sample, addr.buffer

Dim INTEGER HMajorX1(HMajor+1), HMajory1(HMajor+1), HMajory2(HMajor+1) ' For Horizontal Major Axes
Dim INTEGER VMajorX1(VMajor+1), VMajorx2(VMajor+1), VMajory1(VMajor+1) ' For Vertical   Major Axes
Dim INTEGER HMinorX1(HMinor+1), HMinory1(HMinor+1), HMinory2(HMinor+1) ' For Horizontal Minor Axes
Dim INTEGER VMinorX1(VMinor+1), VMinorx2(VMinor+1), VMinory1(VMinor+1) ' For Vertical   Minor Axes

Dim Float   V.Scale(10), V.Offset(10), V.MajVolts(10)
Dim Float   H.Freq(10),  H.Seconds(10)

Dim String  H.Units$(10), keypress$

' ========================== Initialization =================================
Initialize_Arrays
Initialize_Hardware
Display_Instructions
Draw_Graticules

' ========================== Processing Loop ================================
Do
 Randomize_Test_Signal
 Timer = 0
 Do
   Handle_Keypresses
   Handle_Switches
   trigger = -1
   Get_Samples
   trigger = find_trigger(Trig_Type)
   If Timer > 2500 Then Display_No_Trigger ' Waiting too long for a trigger.
 Loop Until trigger >= 0
 If Timer > 2500 Then Draw_Graticules      ' OK, we've got a trigger. Clear message.
 Scale_Samples
 Update_Display
Loop

' ========================== Subs and Functions ============================

Sub Handle_Keypresses
 keypress$ = Inkey$
 Select Case keypress$
   Case "0"      : Vselect = 0
   Case "1"      : Vselect = 1
   Case "2"      : Vselect = 2
   Case "u", "U" : Trig_Type  = Trig_Up
   Case "d", "D" : Trig_Type  = Trig_Down
   Case "n", "N" : Trig_Type  = Trig_None
   Case "f", "F" : ADC_select = Min(ADC_select+1, 5) : Set_ADC_Timing
   Case "s", "S" : ADC_select = Max(ADC_select-1, 0) : Set_ADC_Timing
   Case "" : Exit Sub               ' No key pressed. No change.
   Case Else : Display_Instructions ' Unknown key pressed.
 End Select
 Draw_Graticules
End Sub

Sub Handle_Switches ' using Ganssel's debounce routine in Fruit of the Shed
 Local INTEGER V, T, A
 v_btn = v_btn<<1 Xor Pin(V_sw) And Debounce
 t_btn = t_btn<<1 Xor Pin(T_sw) And Debounce
 a_btn = a_btn<<1 Xor Pin(A_sw) And Debounce

 If v_btn = 0 Then
   Vselect = (Vselect+1) Mod (V_Max+1)
   v_btn = Debounce
 EndIf

 If t_btn = 0 Then
   Select Case Trig_Type
     Case Trig_Up:   Trig_Type = Trig_Down
     Case Trig_Down: Trig_Type = Trig_None
     Case Trig_None: Trig_Type = Trig_Up
     Case Else :     Trig_Type = Trig_Up
   End Select
   t_btn = Debounce
 EndIf

 If a_btn = 0 Then
   ADC_select = (ADC_select+1) Mod (ADC_Max+1) : Set_ADC_Timing
   a_btn = Debounce
 EndIf

 Draw_Graticules

End Sub

Function find_trigger(a)
 Select Case a
   Case Trig_Down
     For c = 0 To Hres-1
       If sample(c) > 0.1 And sample(c+1) < 0.2 Then find_trigger = c : Exit Function
     Next
     find_trigger = -1 : Exit Function
   Case Trig_Up
     For c = 0 To Hres-1
       If sample(c+1) > 0.1 And sample(c) < 0.2 Then find_trigger = c : Exit Function
     Next
     find_trigger = -1 : Exit Function
   Case Else
     find_trigger = 0 : Exit Function
 End Select
End Function

Sub Display_Instructions
 FRAMEBUFFER WRITE L
 CLS Background
 Text   6,  Vres/2, "PicoScope", CMV, 7, 1, Signal, Background
 Text   18, 15,     "Keyboard:", LT, 7, 1, TxtColor, Background
 Text   25, 27,     "Volt: 0, 1, 2", LT, 7, 1, TxtColor, Background
 Text   25, 39,     "Time: Faster, Slower", LT, 7, 1, TxtColor, Background
 Text   25, 51,     "Trig: Up, Dn, None", LT, 7, 1, TxtColor, Background
 FRAMEBUFFER COPY L, F
 FRAMEBUFFER COPY F,N
 Pause 4000
 Text   20, 71,     "Waiting for Trigger.....", LT, 7, 1, Signal, Background
 FRAMEBUFFER COPY L, F
 FRAMEBUFFER COPY F,N
End Sub

Sub Display_No_Trigger
 FRAMEBUFFER WRITE L
 Text Hres/2, Vres/2, "Waiting for Trigger.....", CM, 7, 1, Signal, Background
 FRAMEBUFFER COPY L, F
 FRAMEBUFFER COPY F,N
End Sub

Sub Initialize_Arrays
 addr.sample = Peek(varaddr sample())
 addr.buffer = Peek(varaddr buffer())

 Math Set 0, HMajory1() : Math Set Vres, HMajory2()  ' Set Arrays for Time  Major Axis
 Math Set 0, VMajorX1() : Math Set Hres, VMajorx2()  ' Set Arrays for Volts Major Axis

 Math Set 3*Vres/4+Minor/2, HMinory1()
 Math Set 3*Vres/4-Minor/2, HMinory2() ' Set Arrays for Time  Minor Axis
 Math Set Hres/2+Minor/2,   VMinorx1()
 Math Set Hres/2-Minor/2,   VMinorx2() ' Set Arrays for Volts Minor Axis

 For x = 0 To Hres-1 : Horizontal(x) = x     : Next ' used in array graphics
 For x = 0 To HMajor : HMajorx1(x) = x*Major : Next ' for Time  Major Axis graticule
 For y = 0 To VMajor : VMajory1(y) = y*Major : Next ' for Volts Major Axis graticule
 For x = 0 To HMinor : HMinorx1(x) = x*Minor : Next ' for Time  Minor Axis graticule
 For y = 0 To VMinor : VMinory1(y) = y*Minor : Next ' for Volts Minor Axis graticule

 ' RP2040-LCD-0.96 - specific values here.
 '
 ' For Voltage, Zero is at pixel 60, 3/4 down the display
 V.Scale(0)= -4.0 : V.Offset(0)=60 : V.MajVolts(0) = 5.00 ' 5.00 Volts per Major Division
 V.Scale(1)= -8.0 : V.Offset(1)=60 : V.MajVolts(1) = 2.50 ' 2.50 Volts per Major Division
 V.Scale(2)=-16.0 : V.Offset(2)=60 : V.MajVolts(2) = 1.25 ' 1.25 Volts per Major Division

 ' For Time,

 H.Freq(0) =  10000 : H.Units(0)="mSec" : H.Seconds(0) = 2.0
 H.Freq(1) =  20000 : H.Units(1)="mSec" : H.Seconds(1) = 1.0
 H.Freq(2) =  40000 : H.Units(2)="uSec" : H.Seconds(2) = 500.0
 H.Freq(3) = 100000 : H.Units(3)="uSec" : H.Seconds(3) = 200.0
 H.Freq(4) = 200000 : H.Units(4)="uSec" : H.Seconds(4) = 100.0
 H.Freq(5) = 400000 : H.Units(5)="uSec" : H.Seconds(5) = 50.0

 ADC_select = 3              ' Se;ect from a number of time scales
 Vselect    = 1              ' Select from a number of Scale factors and offsets for volts
 Trig_Type  = Trig_Down      ' Select from a number of trigger types

End Sub

Sub Initialize_Hardware
 SetPin V_SW, DIN, PULLUP        ' Switch to cycle through Voltage scales
 SetPin T_SW, DIN, PULLUP        ' Switch to cycle through Trigger types
 SetPin A_SW, DIN, PULLUP        ' Switch to cycle through ADC Frequency (Time) scales
 SetPin GP18, PWM1A              ' Set up pin 24 for PWM test signal output
 PWM 1, PWM_Freq, 10             ' Low Duty Cycle square wave on Pin 24
 SetPin (31), AIn                ' ADC input on Pin 31
 ADC open H.Freq(ADC_Select), 1  ' Sample at specified frequency

 FRAMEBUFFER CREATE F
 FRAMEBUFFER LAYER  L
End Sub

Sub Set_ADC_Timing
 ADC FREQUENCY H.Freq(ADC_Select)
End Sub

Sub Draw_Graticules
 Local STRING T$, V$, A$
 FRAMEBUFFER WRITE L
 CLS Background
 Line HMinorx1(), HMinory1(), HMinorx1(), HMinory2(), 1, GMinor ' Draw minor horiz graticules
 Line VMinorx1(), VMinory1(), VMinorx2(), VMinory1(), 1, GMinor ' Draw minor vert  graticules
 Line HMajorx1(), HMajory1(), HMajorx1(), HMajory2(), 1, GMajor ' Draw major horiz graticules
 Line VMajorx1(), VMajory1(), VMajorx2(), VMajory1(), 1, GMajor ' Draw major vert  graticules

 A$ = Str$(H.Seconds(ADC_Select),3,0) + " " + H.Units(ADC_Select)
 Text    0, Vres, A$, LB, 7, 1, TxtColor, Background     ' Draw Time Scale at Lower Left
 V$ = Str$(V.MajVolts(Vselect), 2, 2)+" V"
 Text Hres, Vres, V$, RB, 7, 1, TxtColor, Background     ' Draw Volts Scale at Lower Right
 Select Case Trig_Type
   Case Trig_Up:   T$ = "/"
   Case Trig_Down: T$ = "\"
   Case Trig_None: T$ = "-"
   Case Else :     T$ = " "
 End Select
 Text Hres/2, Vres, T$, CB, 7, 1, TxtColor, Background    ' Draw Trigger at Lower Middle
End Sub

Sub Randomize_Test_Signal
 PWM 1, PWM_Freq, 45+10*Rnd  ' Randomize duty cycle to ensure displayed signal is refreshing
End Sub

Sub Get_Samples               ' Load ADC inputs into sample() array
 sample(2*Hres-1) = -1       ' Samples will never be < 0
 ADC start sample() : Do While sample(2*Hres-1) < 0 : Loop
End Sub

Sub Scale_Samples
 Memory copy FLOAT addr.sample + trigger*8, addr.buffer, Hres
 Math Scale buffer!(), V.Scale(Vselect),  buffer!()  ' Scale samples to fit vertically
 Math Add   buffer!(), V.Offset(Vselect), buffer!()  ' Offset to bottom of screen (positive is up)
End Sub


Sub Update_Display
 FRAMEBUFFER COPY L, F
 FRAMEBUFFER WRITE F : Pixel Horizontal(), buffer!(), Signal
 FRAMEBUFFER COPY F,N
End Sub

Live in the Future. It's Just Starting Now!
 
Volhout
Guru

Joined: 05/03/2018
Location: Netherlands
Posts: 5863
Posted: 07:29pm 12 Aug 2023
Copy link to clipboard 
Print this post

Good work! As soon as I am home, going to try this (probably port to VGA since I do not own the waveshare board).

Thank you for persising, and making it work!

Volhout
PicomiteVGA PETSCII ROBOTS
 
stanleyella

Guru

Joined: 25/06/2022
Location: United Kingdom
Posts: 2807
Posted: 12:53pm 13 Aug 2023
Copy link to clipboard 
Print this post

Tidy job NPHighview. I'm gonna try on ili9341 and use touch areas. These tiny screens are too small imho. The scope was just an a-d experiment which led me to find math functions and frame buffers so it's been interesting learning new commands...many more to learn.
stan.
ps wonder why your photos don't show vertical trace. Is it the camera?
Edited 2023-08-13 23:18 by stanleyella
 
Mixtel90

Guru

Joined: 05/10/2019
Location: United Kingdom
Posts: 8782
Posted: 04:29pm 13 Aug 2023
Copy link to clipboard 
Print this post

Speed up the scan or zoom in and you might be able to see the rising and falling edges of a square wave. If the square wave is being generated by a Pico then those edges are very fast and may be difficult to see.

It's also possible that if the square wave is being generated by the same Pico that is capturing the waveform then you may not be able to capture the edges anyway. Depends on the relative frequencies of the wave and the capture.
Mick

Zilog Inside! nascom.info for Nascom & Gemini
Preliminary MMBasic docs & my PCB designs
 
JohnS
Guru

Joined: 18/11/2011
Location: United Kingdom
Posts: 4304
Posted: 06:44pm 13 Aug 2023
Copy link to clipboard 
Print this post

I don't have the board but that looks impressive!

John
 
Volhout
Guru

Joined: 05/03/2018
Location: Netherlands
Posts: 5863
Posted: 06:55pm 13 Aug 2023
Copy link to clipboard 
Print this post

Vertical lines are not visible if you are painting pixels. To see vertical lines you need to draw lines.

With sine wave input you would clearly see the pixels. But with square wave you dont, as long as there are enough samples.

Volhout
PicomiteVGA PETSCII ROBOTS
 
NPHighview

Senior Member

Joined: 02/09/2020
Location: United States
Posts: 219
Posted: 08:25pm 13 Aug 2023
Copy link to clipboard 
Print this post

As you play with this, please note that the jitter is deliberate in the test signal emitted by the PWM on pin 24. I wanted to be sure that the trigger and screen updates were taking place correctly. You can eliminate the jitter by commenting out the call to  Randomize_Test_Signal in the main loop.

Thanks for everyone's positive comments. This has definitely been a learning experience for me, too.
Live in the Future. It's Just Starting Now!
 
stanleyella

Guru

Joined: 25/06/2022
Location: United Kingdom
Posts: 2807
Posted: 09:13pm 13 Aug 2023
Copy link to clipboard 
Print this post

  Volhout said  Vertical lines are not visible if you are painting pixels. To see vertical lines you need to draw lines.

With sine wave input you would clearly see the pixels. But with square wave you dont, as long as there are enough samples.

Volhout

NPH and me both use join the dots vectors but my photos show vertical trace and NPH's  doesn't. Just wondering why. If I switch my camera to manual it shows the vertical trace changing on x axis.
 
NPHighview

Senior Member

Joined: 02/09/2020
Location: United States
Posts: 219
Posted: 09:24pm 13 Aug 2023
Copy link to clipboard 
Print this post

I'm not using "join the dots" vectors, just the PIXEL command using arrays. I guess I'm just a pixel sort of fellow (actually, thought about using LINE command using arrays, but then would have to do extra copying).
Live in the Future. It's Just Starting Now!
 
stanleyella

Guru

Joined: 25/06/2022
Location: United Kingdom
Posts: 2807
Posted: 10:37pm 13 Aug 2023
Copy link to clipboard 
Print this post

My bad. what's a sine look like?
10KHz

 
NPHighview

Senior Member

Joined: 02/09/2020
Location: United States
Posts: 219
Posted: 12:25am 14 Aug 2023
Copy link to clipboard 
Print this post

I found a 1KHz sine wave MP3, so here's the waveform played through a 17-year-old iPod. I don't have an external amplifier with adjustable offset, so the ADC only provides values of 0 and greater, clipping the negative voltages.

I did have to add a slower timescale, and another vertical scale to get this, but pixels look OK to me.

Time to break out the Op Amp Cookbook, or refresh my familiarity with GoldWave.


Live in the Future. It's Just Starting Now!
 
phil99

Guru

Joined: 11/02/2018
Location: Australia
Posts: 3166
Posted: 01:13am 14 Aug 2023
Copy link to clipboard 
Print this post

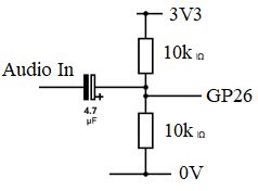
This should do the job.
 
Mixtel90

Guru

Joined: 05/10/2019
Location: United Kingdom
Posts: 8782
Posted: 06:50am 14 Aug 2023
Copy link to clipboard 
Print this post

Add diodes across the 10k resistors to keep the input between the voltage rails, otherwise you may damage the ADC input. A series resistor of a few hundred ohms might be a good idea (to limit the current through the diodes), but will reduce sensitivity slightly.

This is why the clipping diodes are important.
With an input of 3V AC peak-to-peak referenced to GND. While the input is at -1.5V the top resistor is charging the capacitor up to 1.5 + 1.65 = 3.15. When the input swings to +1.5V you get a voltage of 1.5 +3.15 = 4.65V applied to the ADC input until the capacitor charge starts to drop.
Mick

Zilog Inside! nascom.info for Nascom & Gemini
Preliminary MMBasic docs & my PCB designs
 
stanleyella

Guru

Joined: 25/06/2022
Location: United Kingdom
Posts: 2807
Posted: 03:29pm 14 Aug 2023
Copy link to clipboard 
Print this post

NCH-I'm impressed it's plotted. I must try your code, do I need the beta with adcrun?
I had probs with pwm test pin .. every pin is already allocated.
I tried pins not used
> option list
PicoMite MMBasic Version 5.07.07
OPTION SYSTEM SPI GP10,GP11,GP28
OPTION AUTORUN ON
OPTION LCDPANEL ST7735S, RLANDSCAPE,GP8,GP12,GP9,GP25
OPTION AUDIO GP0,GP1, ON PWM CHANNEL 0
>
oops. not ili board but same ie pins not used are used
Edited 2023-08-15 03:07 by stanleyella
 
stanleyella

Guru

Joined: 25/06/2022
Location: United Kingdom
Posts: 2807
Posted: 08:28pm 14 Aug 2023
Copy link to clipboard 
Print this post

Doh I used that for audio
>
RUN
[226] SetPin V_SW, DIN, PULLUP        ' Switch to cycle through Voltage scales
Error : Pin 1/GP0 is reserved on startup
>
>
ili 480x320
RUN
[12] FRAMEBUFFER LAYER L
Error : Not enough memory
>
Edited 2023-08-15 06:40 by stanleyella
 
NPHighview

Senior Member

Joined: 02/09/2020
Location: United States
Posts: 219
Posted: 10:18pm 14 Aug 2023
Copy link to clipboard 
Print this post

Stanleyella:

Sorry to hear that your framebuffer and frame layer are occupying too much memory! I too contemplated using a larger LCD (the Waveshare Pico-Eval-Board) and could only find two non-allocated pins, not enough for front-panel buttons. I never got to the point of breaking into the header connectors, though I was able to observe a shifting "DC" voltage level when I switched the input pin to that of the P-E-B's light-dependent resistor (LDR), and exposed or obscured it with sunlight. I also exposed it to a NeoPixel, which induced a very curious waveform on the LDR.

Back on the RP2040-LCD-0.96, I tried out Phil99's RC network (and, through sheer dumb luck got the capacitor polarity right on the first try).  The signal shifted up very nicely to the center of the 0-3.3v range. It looked pretty nice using "None" as the triggering type. Unfortunately, your straightforward triggering method no longer worked for rising or falling edges close to zero, so I'm playing with other techniques (getting the min and max of the waveform values, and triggering at the midpoint, either up or down, for instance).

I think I'll need to add an "AC-Coupled" setting to get the display centered around the midpoint, and maybe a DPDT switch to include or bypass the RC network.

Or, I'll just use it for logic levels :-)

By the way, it's been a pleasure collaborating with you in this manner.
Edited 2023-08-15 08:21 by NPHighview
Live in the Future. It's Just Starting Now!
 
TassyJim

Guru

Joined: 07/08/2011
Location: Australia
Posts: 6510
Posted: 10:53pm 14 Aug 2023
Copy link to clipboard 
Print this post

Runs without any changes on my pico with ILI9341
I did change the background colour so the graticule was visible and there needs to be some scaling adjustments.
But, basically, runs well using a standard test finger on the input as a 50Hz signal.

I suggest a forced trigger from the console will help.

Jim
VK7JH
MMedit
 
NPHighview

Senior Member

Joined: 02/09/2020
Location: United States
Posts: 219
Posted: 02:46am 15 Aug 2023
Copy link to clipboard 
Print this post

TassyJim - glad to hear it! I was spoiled at an early age with Tektronix and H-P scopes (replacing a dreadful Dumont WWII-era boat anchor I had in 12th grade), and loved the “there but not in your face” graticule coloring. My current 100Mhz dual-channel Tektronix was acquired surplus from nearby UCLA.

I’ll post an update when I get min/max triggering working. I think I can use the technique instead of stanleyella’s, but we’ll see.
Live in the Future. It's Just Starting Now!
 
stanleyella

Guru

Joined: 25/06/2022
Location: United Kingdom
Posts: 2807
Posted: 01:25pm 15 Aug 2023
Copy link to clipboard 
Print this post

  TassyJim said  Runs without any changes on my pico with ILI9341
I did change the background colour so the graticule was visible and there needs to be some scaling adjustments.
But, basically, runs well using a standard test finger on the input as a 50Hz signal.

I suggest a forced trigger from the console will help.

Jim

I changed screen size to 240x240 and not enough memory for layer L ??
 
Mixtel90

Guru

Joined: 05/10/2019
Location: United Kingdom
Posts: 8782
Posted: 02:22pm 15 Aug 2023
Copy link to clipboard 
Print this post

What do you mean by "changed the screen size", Stan? Isn't it set automatically for your display?

Const Hres       = MM.HRes        ' Horizontal screen resolution
Const Vres       = MM.VRes        ' Vertical   screen resolution

Mick

Zilog Inside! nascom.info for Nascom & Gemini
Preliminary MMBasic docs & my PCB designs
 
     Page 5 of 17    
Print this page
The Back Shed's forum code is written, and hosted, in Australia.
© JAQ Software 2026