Home
JAQForum Ver 24.01
Log In or Join  
Active Topics
Local Time 11:33 24 Apr 2026 Privacy Policy
Jump to

Notice. New forum software under development. It's going to miss a few functions and look a bit ugly for a while, but I'm working on it full time now as the old forum was too unstable. Couple days, all good. If you notice any issues, please contact me.

Forum Index : Microcontroller and PC projects : PicoMiteHDMIUSBV6.00.02b10.uf2 did not run on Olimex RP2040-PICO-PC

     Page 2 of 6    
Author Message
stanleyella

Guru

Joined: 25/06/2022
Location: United Kingdom
Posts: 2807
Posted: 09:09pm 10 Feb 2025
Copy link to clipboard 
Print this post

  ManiB said  Hello everyone,

I have now ordered a Raspberry PI Pico 2 (RP2350), because apparently these uf2 files can only be installed on such a device, but not on my Raspberry PI Pico (RP2040):
- PicoMiteHDMIV6.00.01.uf2
- PicoMiteHDMIUSBV6.00.01.uf2

I could install one of these uf2 files on my Pico (RP2040 ):
- PicoMiteRP2040V6.00.01.uf2
- PicoMiteRP2040USBV6.00.01.uf2
- PicoMiteRP2040VGAUSBV6.00.01.uf2
- PicoMiteRP2040VGAV6.00.01.uf2
but then the components of the Olimex RP2040-PICO-PC are not supported, right?

So now I'll wait until the new Pico 2 is delivered...

I'm pretty sure that everything will work right away ;)

My only problem was that I didn't know that the uf2 files PicoMiteHDMIV6.00.01.uf2 and PicoMiteHDMIUSBV6.00.01.uf2 require a Pico 2, or could I have read that somewhere?

Actually, it would have been enough if the two files had been named like this:
- PicoMiteRP2350HDMIV6.00.01.uf2
- PicoMiteRP2350HDMIUSBV6.00.01.uf2


the rpi2350 pico 2 has stuff the 2040 didn't but it's a drop in replacement imho
it gives more observable increased performance on lcd or vga and the hdmi stuff is brill
the 2040 breakout board is good.
Mick knows the faults and the link for stereo and adc problem but it's a nice board with 2350, no soldering needed. I did use female to male header on pico which is a pain to solder but I can access the few pins remaining.
it's displaying lissajours now. test simple graphics on all res/modes to test.
sound is "sharp" but no lc filter just rc
stan
Edited 2025-02-11 08:38 by stanleyella
 
ManiB
Senior Member

Joined: 12/10/2019
Location: Germany
Posts: 141
Posted: 10:33pm 11 Feb 2025
Copy link to clipboard 
Print this post

Hello everyone,

I received the Raspberry PI Pico 2 (RP2350) today and, as expected, successfully installed the PicoMiteHDMIV6.00.01.uf2 by typing "OPTION RESET OLIMEX" via PuTTY on the Pico's USB connector.

However, I tried for a long time because my EIZO monitor persistently did not display an image. Only after a lot of back and forth did I connect my Samsung monitor, and lo and behold, I could see something immediately. I had already connected the 5V solder bridge on the underside of the Olimex board yesterday.

But I can't get the PicoMiteHDMIUSBV6.00.01.uf2 to work.

After the installation I have to blindly type “OPTION RESET OLIMEX” with my USB keyboard. So I connected my Logitech USB keyboard to the Pico using a USB-C adapter cable and typed it in blindly - without success.

And the suggestion to connect to the Olimex board via USBtoSerialAdapter in order to make the entries via PuTTY also fails with the error message
> option serial console com2,gp8,gp9
Error : Pin 11/GP8 is in use

Now I'm really at a loss ;(


 
WhiteWizzard
Guru

Joined: 05/04/2013
Location: United Kingdom
Posts: 2962
Posted: 11:36pm 11 Feb 2025
Copy link to clipboard 
Print this post

Confusingly, your screenshot shows you have the HDMI version of the firmware installed, not the USB HDMI version. My comments below assume you have the USB HDMI version installed (if you want the USB keyboard to work!)

With the USB variant of the firmware installed, the serial port is automatically set for you.

Simply connect your USB-to-Serial module to GP8 & GP9 (refer to manual for which is Tx and which is Rx) and provide the Pico with power too via the Vsys input (or Vbus - again, refer to manual).

You also need to set your terminal baud speed to 115,200.

This will hopefully get you going…..

(Sorry for editing this multiple times; I initially mis-read the info in your screen shot)
Edited 2025-02-12 10:18 by WhiteWizzard
 
phil99

Guru

Joined: 11/02/2018
Location: Australia
Posts: 3159
Posted: 01:00am 12 Feb 2025
Copy link to clipboard 
Print this post

Yes, without USB enabled GP8 & GP9 would be for a PS/2 keyboard.
Type LIST PINS to see what all the pins do.
 
matherp
Guru

Joined: 11/12/2012
Location: United Kingdom
Posts: 11226
Posted: 07:32am 12 Feb 2025
Copy link to clipboard 
Print this post

OPTION RESET OLIMEX USB sets the console on GP0,GP1 to match the header on the olimex board.
Can't remember when I added this but the latest 6.00.02 beta should work fine IFF you install the HDMIUSB firmware
 
Frank N. Furter
Guru

Joined: 28/05/2012
Location: Germany
Posts: 1082
Posted: 07:56am 12 Feb 2025
Copy link to clipboard 
Print this post

  matherp said  OPTION RESET OLIMEX USB sets the console on GP0,GP1 to match the header on the olimex board.
Can't remember when I added this but the latest 6.00.02 beta should work fine IFF you install the HDMIUSB firmware


Are you sure about “OPTION RESET OLIMEX USB”? I made a note of “OPTION RESET OLIMEXUSB” and it worked like that!

Frank
 
matherp
Guru

Joined: 11/12/2012
Location: United Kingdom
Posts: 11226
Posted: 08:43am 12 Feb 2025
Copy link to clipboard 
Print this post

Either
 
stanleyella

Guru

Joined: 25/06/2022
Location: United Kingdom
Posts: 2807
Posted: 03:54pm 12 Feb 2025
Copy link to clipboard 
Print this post

I thought option reset olimex was for a different board. is it the same as olimex 2040 breakout board.
I had to write the options with forum help but works with usb to ttl.
Connected to COM3 at 115200
> option list
PicoMiteHDMI MMBasic USB RP2350A Edition V6.00.02b0
OPTION SERIAL CONSOLE COM2,GP8,GP9
OPTION AUTORUN  ON
OPTION FLASH SIZE 4194304
OPTION COLOURCODE ON
OPTION KEYBOARD UK, 0, 0, 600, 150
OPTION CPUSPEED (KHz) 315000
OPTION HDMI PINS  1, 3, 7, 5
OPTION SDCARD GP22, GP6, GP7, GP4
OPTION AUDIO GP26,GP27', ON PWM CHANNEL 5
>
got search for circuit again. posted here somewhere.


Edited 2025-02-13 02:19 by stanleyella
 
ManiB
Senior Member

Joined: 12/10/2019
Location: Germany
Posts: 141
Posted: 05:04pm 12 Feb 2025
Copy link to clipboard 
Print this post

  WhiteWizzard said  Confusingly, your screenshot shows you have the HDMI version of the firmware installed, not the USB HDMI version. My comments below assume you have the USB HDMI version installed (if you want the USB keyboard to work!)
...


Thanks WhiteWizzard, my screenshot is from when I installed PicoMiteHDMIV6.00.01.uf2.

Later after installing PicoMiteHDMIUSBV6.00.01.uf2 I could not take screenshots anymore because nothing is displayed and the console could not be connected.
Edited 2025-02-13 03:04 by ManiB
 
ManiB
Senior Member

Joined: 12/10/2019
Location: Germany
Posts: 141
Posted: 05:10pm 12 Feb 2025
Copy link to clipboard 
Print this post

Hello, i ordered a new USB to Serial converter, because I think mine is not working correct.

I'll keep you up to date. Great support here!
 
ManiB
Senior Member

Joined: 12/10/2019
Location: Germany
Posts: 141
Posted: 05:29pm 12 Feb 2025
Copy link to clipboard 
Print this post

When I read all of your tips and advice, I come to the following conclusion:

1. After installing PicoMiteHDMIUSBV6.00.01.uf2, only a few options are set. The necessary options for the Olimex RP2040-PICO-PC are definitely NOT set.

2. I am supposed to enter the command "OPTION RESET OLIMEX" using the console, but the serial ports are not actually active at this point (or my USB to serial module is actually broken)

3. Shouldn't the USB keyboard on the USB-C port of the RP PICO 2 work? It was mentioned here that I could type in the command "blindly". Can I use any USB keyboard here? Or does it have to be a PS/2 compatible keyboard?
 
stanleyella

Guru

Joined: 25/06/2022
Location: United Kingdom
Posts: 2807
Posted: 05:52pm 12 Feb 2025
Copy link to clipboard 
Print this post

  ManiB said  When I read all of your tips and advice, I come to the following conclusion:

1. After installing PicoMiteHDMIUSBV6.00.01.uf2, only a few options are set. The necessary options for the Olimex RP2040-PICO-PC are definitely NOT set.

2. I am supposed to enter the command "OPTION RESET OLIMEX" using the console, but the serial ports are not actually active at this point (or my USB to serial module is actually broken)

3. Shouldn't the USB keyboard on the USB-C port of the RP PICO 2 work? It was mentioned here that I could type in the command "blindly". Can I use any USB keyboard here? Or does it have to be a PS/2 compatible keyboard?


if I can help but is is it the same board?
1- use the option list I posted for olimex usb which sets sound and sd card and usb to ttl converter.

2- as above 1

3- a usb keyboard should show on boot. it can be a wireless dongle for a mini keyboard with a mouse touch

Connected to COM3 at 115200
> option list
PicoMiteHDMI MMBasic USB RP2350A Edition V6.00.02b0
OPTION SERIAL CONSOLE COM2,GP8,GP9
OPTION AUTORUN  ON
OPTION FLASH SIZE 4194304
OPTION COLOURCODE ON
OPTION KEYBOARD UK, 0, 0, 600, 150
OPTION CPUSPEED (KHz) 315000
OPTION HDMI PINS  1, 3, 7, 5
OPTION SDCARD GP22, GP6, GP7, GP4
OPTION AUDIO GP26,GP27', ON PWM CHANNEL 5
>
 
matherp
Guru

Joined: 11/12/2012
Location: United Kingdom
Posts: 11226
Posted: 06:02pm 12 Feb 2025
Copy link to clipboard 
Print this post

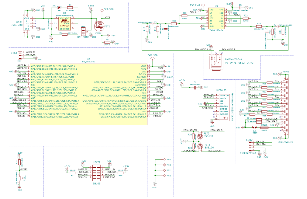
The Olimex board has a three pin header connected to GP0 and GP1 which can be used for a serial console (DBG1 in the schematic). If you use OPTION RESET HDMIUSB it will set the serial console on GP0,GP1 to use this header rather than GP8,GP9.

So, load the HDMIUSB firmware, connect a USB-UART to pins GP8,GP9 (easiest direct on the Pico2 before plugging it into the Olimex and on a computer console type:
OPTION RESET HDMI USB

Everything will then be correctly configured

Now plug the Pico2 into the Olimex board and connect the USB/UART to the three pin header, plug in the HDMI and you are good to go.
Edited 2025-02-13 04:03 by matherp
 
stanleyella

Guru

Joined: 25/06/2022
Location: United Kingdom
Posts: 2807
Posted: 06:02pm 12 Feb 2025
Copy link to clipboard 
Print this post

is it this board?

 
stanleyella

Guru

Joined: 25/06/2022
Location: United Kingdom
Posts: 2807
Posted: 06:09pm 12 Feb 2025
Copy link to clipboard 
Print this post


I connected usb to ttl to this socket.
Edited 2025-02-13 04:14 by stanleyella
 
stanleyella

Guru

Joined: 25/06/2022
Location: United Kingdom
Posts: 2807
Posted: 07:15pm 12 Feb 2025
Copy link to clipboard 
Print this post

  matherp said  The Olimex board has a three pin header connected to GP0 and GP1 which can be used for a serial console (DBG1 in the schematic). If you use OPTION RESET HDMIUSB it will set the serial console on GP0,GP1 to use this header rather than GP8,GP9.

So, load the HDMIUSB firmware, connect a USB-UART to pins GP8,GP9 (easiest direct on the Pico2 before plugging it into the Olimex and on a computer console type:
OPTION RESET HDMI USB

Everything will then be correctly configured

Now plug the Pico2 into the Olimex board and connect the USB/UART to the three pin header, plug in the HDMI and you are good to go.


didn't 3 pin option but don't have a 3 pin plug and too small for molex.
please show me option list after option reset olimex.
 
stanleyella

Guru

Joined: 25/06/2022
Location: United Kingdom
Posts: 2807
Posted: 07:33pm 12 Feb 2025
Copy link to clipboard 
Print this post

if it's the same board I use the usb to ttl to program from mmedit and it supplies the vcc pin but the board has a mini usb to power the pico and the 5v from usb to ttl is not needed. both ways work ie power board from 5v or use the usb to ttl 5v . but that was frowned about
 
ManiB
Senior Member

Joined: 12/10/2019
Location: Germany
Posts: 141
Posted: 07:59pm 12 Feb 2025
Copy link to clipboard 
Print this post

Hallelujah, I've got it working after all.

It's actually done in just four simple steps:
1. Flash the Pico 2 with PicoMiteHDMIUSB flash
2. Connect a USB keyboard to the Pico 2 (if necessary with a USB-C to USB-A adapter)
3. Type in the following command and confirm with ENTER
  OPTION RESET OLIMEXUSB
4. Reset the Olimex board and be amazed
 
stanleyella

Guru

Joined: 25/06/2022
Location: United Kingdom
Posts: 2807
Posted: 08:10pm 12 Feb 2025
Copy link to clipboard 
Print this post

  ManiB said  Hallelujah, I've got it working after all.

It's actually done in just four simple steps:
1. Flash the Pico 2 with PicoMiteHDMIUSB flash
2. Connect a USB keyboard to the Pico 2 (if necessary with a USB-C to USB-A adapter)
3. Type in the following command and confirm with ENTER
  OPTION RESET OLIMEXUSB
4. Reset the Olimex board and be amazed


happy days you got it working. now you got to try audio and adc.. very weird, a link for stereo and no adc. like can't generate a sine audio and feed it to adc to display. Mick knows
this was why I built a strip board version that was no problems
 
ManiB
Senior Member

Joined: 12/10/2019
Location: Germany
Posts: 141
Posted: 08:18pm 12 Feb 2025
Copy link to clipboard 
Print this post

Now HDMI, USB and SD-Card is working. My USB to serial adapter cable is also OK. I have now connected it to the three pins of the DBG1 connector on the Olimex board and these are the results:






I can't wait to try out the rest of the features ;)
 
     Page 2 of 6    
Print this page
The Back Shed's forum code is written, and hosted, in Australia.
© JAQ Software 2026