Home
JAQForum Ver 24.01
Log In or Join  
Active Topics
Local Time 21:10 22 Apr 2026 Privacy Policy
Jump to

Notice. New forum software under development. It's going to miss a few functions and look a bit ugly for a while, but I'm working on it full time now as the old forum was too unstable. Couple days, all good. If you notice any issues, please contact me.

Forum Index : Electronics : Battery Bank Monitoring Circuitry?

Author Message
floodrod
Regular Member

Joined: 08/07/2009
Location:
Posts: 70
Posted: 04:22pm 13 Oct 2009
Copy link to clipboard 
Print this post

I am looking for a device that will monitor my battery bank and trip my inverter on/off when the battery bank reaches a specific charge capacity. For instance, when my battery bank is full, the inverter turns on, and when the bank is 40% depleted, it trips the inverter off to recharge.

Of course, this device should be adjustable and after it trips to the off position, it should not turn back on till the batteries are fully charged. I do not want to set it at 60% and have my inverter teetering between the on and off position every time it raises 1%.

Is there such a device or system for doing this? Besides manual monitoring, how do solar/wind systems auto control battery discharge?

Thanks
 
Gizmo

Admin Group

Joined: 05/06/2004
Location: Australia
Posts: 5177
Posted: 05:39am 14 Oct 2009
Copy link to clipboard 
Print this post

Hi Floodrod

The op-amp based charge controller...
http://www.thebackshed.com/windmill/articles/TL084-Controlle r.asp
could be used for this job.

The problem is how to turn off the inverter. You could just disconnect its power, but that would mean a relay or mosfet drive switching many many amps. Some inverters have a remote on/off switch input, which would make life much easier. How big is your inverter ( watts ) and does it have a remote on/off switch?

Glenn
The best time to plant a tree was twenty years ago, the second best time is right now.
JAQ
 
greendreamin
Newbie

Joined: 02/02/2008
Location: Australia
Posts: 20
Posted: 11:52am 14 Oct 2009
Copy link to clipboard 
Print this post

you could try the Plasmatronics regulators coupled to a shunt and a relay to switch your inverter on and off simply programme your regulator to suit
Stu
 
floodrod
Regular Member

Joined: 08/07/2009
Location:
Posts: 70
Posted: 03:24pm 14 Oct 2009
Copy link to clipboard 
Print this post

Hmm... My inverter is a 2000 watt continuous / 4000 watt peak 12V one. It does Not have a remote switch.. I purchased the cheapest one I could for now.. I plan on upgrading to 24V when my turbine goes up, so I don't want to waste much on the 12V one that I will be using now..

I also have the Colemanair 160 amp diversion load/controller http://www.colemanair.us/vp_asp/scripts/shopexd.asp?bc=no&cc ode=C160

I don't trust my abilities to build circuitry yet.. So I'd rather buy off the shelf..

See, I have 100% electric heat in my home. No oil/gas etc.. Needless to say, this skyrockets my electric bill 9 months out of the year.. The best and easiest use for my alternative power would be to run a small heater when the batteries are charged.. But a heater would drain batteries pretty fast. It would be wonderful if I had a system to take care of the job without worry of over exhausting my batteries..


 
windman1000
Regular Member

Joined: 21/06/2009
Location: United States
Posts: 91
Posted: 04:02pm 14 Oct 2009
Copy link to clipboard 
Print this post

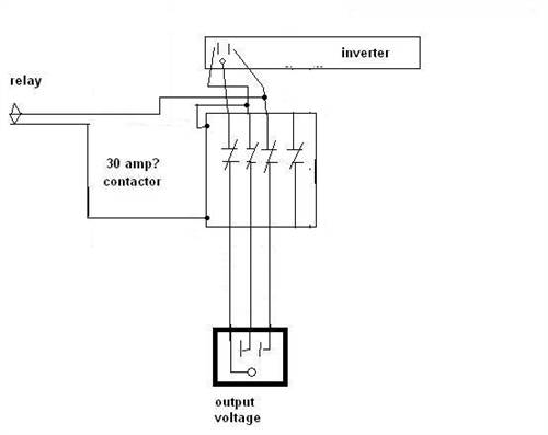
I have the same charge controller , it can be adjusted to what you want to do , or buy a nother one to do the inverter on/off, and get a reversing contactor to handle the voltage you need.just dont use the on/off switch part sence your inverter doesnt have one.


or

just one contactor to turn off output voltage





Edited by windman1000 2009-10-16
 
niall1

Senior Member

Joined: 20/11/2008
Location: Ireland
Posts: 331
Posted: 08:14pm 14 Oct 2009
Copy link to clipboard 
Print this post

hi Floodrod

funnily enough jimmy at eirbyte sent me this link this evening , he got one to test out



http://www.solarconverters.com/ss-1.htm




niall
 
floodrod
Regular Member

Joined: 08/07/2009
Location:
Posts: 70
Posted: 09:15pm 14 Oct 2009
Copy link to clipboard 
Print this post

Good solutions..

Windman, your ideas are way over my head. I'm looking at the drawings and my head is spinning..

Naill, I called that place up and asked about the controller, but it's only rated for 30 amps. He said I could probably use that relay to switch other relays, but again, over my head..

Maybe my thinking is in the wrong direction tho.. Say I made my battery bank real small, so it's like always full.. This would make my system always divert to the dump load.. Now I find a way to make a 12Volt heater at like 500 watts (or another inverter) and hook it up to the diversion leads.. As long as my system is pumping out 500 watts and the batteries are full, it will run the heater.. The heater will never deplete the batteries because it is only on when the batteries are full..

But the problem I see with this is the diversion load is supposed to be 20% greater than my possible output to ensure full load is always kept on the turbine.. If I made the heater wattage higher than what I can produce, the heater will be worthless..

Hmmmm
 
niall1

Senior Member

Joined: 20/11/2008
Location: Ireland
Posts: 331
Posted: 09:37pm 14 Oct 2009
Copy link to clipboard 
Print this post

i wonder if the monitor circuit or something similar could be used to replace (work with) the on/of switch on the inverter....the inverter switch probabely only draws very low pilot current to activate the main power circuitry ... the monitor relay would work like a kind of slave switch ?

not recommending that though floodrod , .... you,d need to open it up to see if it used a single small contact switch or something similar ......
interesting thinking about it though ...jimmy at eirbyte is thinking of a few ways to use the circuit so i,ll post anything interesting that comes up Edited by niall1 2009-10-16
niall
 
Gizmo

Admin Group

Joined: 05/06/2004
Location: Australia
Posts: 5177
Posted: 11:32pm 14 Oct 2009
Copy link to clipboard 
Print this post

You know this would make a good project.

What I'm thinking is a battery monitor with a couple of contactors, set to switch at different battery voltages.

One contactor could be set for 12v, the other at 11.8v

The contactors are part of the ac power distribution, one could be for lights, the other for most of the power outlets.

When the battery drops below 12v, one contactor opens and disconnects all the power to the power outlets. So you loose power to the appliances, but still have lights, time to go to bed. If the battery voltage drops below 11.8, the lights go out too, saving the battery.

The inverter is still running, but with no load it will draw minimal power from the batteries.

When the batteries start to charge, the lights will come back on first, and then the power outlets.

Glenn
The best time to plant a tree was twenty years ago, the second best time is right now.
JAQ
 
floodrod
Regular Member

Joined: 08/07/2009
Location:
Posts: 70
Posted: 12:18am 15 Oct 2009
Copy link to clipboard 
Print this post

Gizmo- that's what I need!!!! Make it and post the instructions
 
GWatPE

Senior Member

Joined: 01/09/2006
Location: Australia
Posts: 2127
Posted: 01:15am 15 Oct 2009
Copy link to clipboard 
Print this post

  floodrod said   I am looking for a device that will monitor my battery bank and trip my inverter on/off when the battery bank reaches a specific charge capacity. For instance, when my battery bank is full, the inverter turns on, and when the bank is 40% depleted, it trips the inverter off to recharge.


If this is still the objective, then a micro would still be the simplest controller. voltage settings and timing are easy to set, and the hysterysis is no problem.

I would switch the AC output from the inverter only. The multi stage could be 3stages, GPO1,GPO2, lights.

The switch box would be powered from the inverter, with an AC connected plugpack. There would only be battery voltage sensing. The unit would plug into the inverter AC outlet and have up to 3 relays. The program would be a loop, with some simple comparison tests that turned ON the relays when a preset voltage was reached. As the voltage dropped, to say 12.5V, relay 1 would turn OFF, and then at 12V relay 2 would turn OFF. at 11.5V relay 3 would turn OFF. All the relays would be reset ON at say 14.5V. If relay 3 was still ON and the voltage started to rise, then this would stay on. Whatever state the relays were in as the voltage started to rise would remain, until the battery was fully charged, when all relays would turn ON, or the battery voltage fell to turn all the relays OFF.

This system would work, but requires a decent battery capacity to reduce the battery cycling rate. This simplified loading control will not be optimum for battery charging, and unless a battery maintenance reigime is in place as well, the battery will suffer reduced capacity over time.

I had a similar system in place and my RE battery suffered reduced capacity. I now use a 4stage battery maintenance reigime, including Boost setting, absorbtion time, and float setting, as well as periodic equalization setting and time.

Unfortunately these systems are complex, and most high end inverters attempt to incorporate the battery charging and discharging requirements into their normal operation. With the cheaper units, they leave these important aspects out. Usually the cheaper units are for emergency uses and these aspects are not required. A low voltage cutoff is normally provided though. This is to protect the inverter, and not the battery.

Simple things don't always turn out to be so.

Gordon.

become more energy aware
 
Downwind

Guru

Joined: 09/09/2009
Location: Australia
Posts: 2333
Posted: 03:53am 15 Oct 2009
Copy link to clipboard 
Print this post

Hi all,
One thought that comes to mind is a “universal voltage switch” kit put out by Jaycar (cat # KC5377) for AU$32.95
It is a very simple kit with few components.
It allows for a upper voltage limit and a lower voltage limit to be set, and also has adjustable hysteresis. ( the difference between triggering on and off voltage )
I have used this kit in a simular project and works well and by memory the instructions detail the component changes needed to operate for 24v if required.
The output from the on board relay could be wired to switch a heavier duty relay that would switch on a AC mains heater or a low voltage dump load (see making encapsulated resistors on the front page for dump load heating elements)
If a Mains heater was used, I would keep this on a separate line off the inverter output or the relay between the wall socket and the heater so when the heater was off all other appliances like lights etc will still operate as normal.
In this way the batterys could be drawn down to a preset voltage and the heater would switch off and remain off till the preset upper voltage was reached then the heater would switch back on again.
I do like the use of micros but this circuit is reliable and simple with no need for programming abilities to operate or to adjust the upper or lower limits.
Just need a screw drive to adjust the trimpots and a multi meter to read the voltages.

Floodrod,
You commented “ But the problem I see with this is the diversion load is supposed to be 20% greater than my possible output to ensure full load is always kept on the turbine.. If I made the heater wattage higher than what I can produce, the heater will be worthless

This is not correct as heat is equal to watts and watts is equal to heat, so regardless if your load is 20% bigger you will still make the same amount of heat for any given amount of watts.
The 20% bigger wattage rating only gives you protection in the case the wattage exceeds what is determined maximum wattage. ( in the case of a storm etc.)
The down side is 20% bigger will draw down the batterys 20% faster.
If you use the dump load method (12v heaters) then the batterys should remain full and the voltage switch will only cut in when the voltage exceeds the full charge voltage, and cutout when it falls to lets say 10% below full charge. (or what ever voltages you choose to set)

Pete.

Sometimes it just works
 
floodrod
Regular Member

Joined: 08/07/2009
Location:
Posts: 70
Posted: 04:32am 15 Oct 2009
Copy link to clipboard 
Print this post

  Downwind said   Hi all,

This is not correct as heat is equal to watts and watts is equal to heat, so regardless if your load is 20% bigger you will still make the same amount of heat for any given amount of watts.
The 20% bigger wattage rating only gives you protection in the case the wattage exceeds what is determined maximum wattage. ( in the case of a storm etc.)
The down side is 20% bigger will draw down the batterys 20% faster.
If you use the dump load method (12v heaters) then the batterys should remain full and the voltage switch will only cut in when the voltage exceeds the full charge voltage, and cutout when it falls to lets say 10% below full charge. (or what ever voltages you choose to set)

Pete.


Hmm... This makes me think.. Should my objective be to dump as much as possible to the 12V heater in the winter, and only use the batteries to lock the turbines voltage to 12V?

Currently, my controller is set to dump at 14 volts.. If I lowered the trip point to 12 volts in the winter months, and run nothing off the batteries, it should almost always be dumping and heating.. in the summer, I can raise the trip point back to 14 Volts and pull power from the batteries as usual..

This may provide maintenance free heating in the winter without worring about the batteries..
 
Downwind

Guru

Joined: 09/09/2009
Location: Australia
Posts: 2333
Posted: 06:57am 15 Oct 2009
Copy link to clipboard 
Print this post

Hi Floodrod,

If all you want is heating in winter than batteries would only be needed to monitor voltage until the mill got out of stall (12+ volts) and then dump the extra power into a heater bank.
In that case I would switch in/out extra heating elements (small circuit) as the power increased or decreased to maintain the mill close to a maximum power output to the available wind. (You don’t want to much load as to stall the mill but need enough to keep the mill always loaded.)

The problem with doing this is the need to locate the heating elements in a place of use.
This would require some heavy cables to be run from the batteries to the diversion heaters and in most cases create a high expense and increased cable losses.

For this reason it may be better to stay with the AC mains heater off the inverter and run a lite set of control wires to a relay controlling the heater.
As each time the heater was switched on the inverter would sense a load and switch on and then off again when the heater was off.
In any case I think you would be wise to have some form of dump load set to a slightly higher switch on voltage than the AC heater for use in summer and/or should the heater fail for some reason.
A extra dump load as a backup is cheap insurance compared to a runaway mill failure.

Another thought that comes to mind ( but not thought through yet) was to use a wave chopper circuit (like used in a light dimmer) in the supply to the AC heater so the power supplied to the heater can be controlled to maintain a set level at the batteries.
Ie:- as the voltage at the batteries increased so would the power to the heater to compensate.

Others might have some input on the pit falls of such a system.
I think it is do able perhaps with the use of a triac and a opto-coupled triac driver to isolate the mains form the low voltage monitoring/controlling circuit.

I would be interested in others thoughts on this as I could be tempted to have a go at putting such a circuit together.

It is always fun solving someone elses problems.

Floodrod where are you located as it is not shown in your profile.??


Pete.

Sometimes it just works
 
floodrod
Regular Member

Joined: 08/07/2009
Location:
Posts: 70
Posted: 01:29pm 15 Oct 2009
Copy link to clipboard 
Print this post

Pete- I'm top of the Pocono mountains in PA, USA.. level 4 Wind zone and Long-Cold winters..

Your right.. Constantly dumping to a heater larger than my output will always keep my mill fully loaded and probably stalled.. not a good thing..

I have some time to think about it because I don't even have my mill up yet.. But i do have some solar panels cooking..
 
frackers

Newbie

Joined: 06/11/2009
Location: New Zealand
Posts: 23
Posted: 11:40pm 05 Nov 2009
Copy link to clipboard 
Print this post

I'm a bit late coming to the thread but this is what I came up with based on a couple of 1-wire chips and a Linksys router with modified software loaded.

All the controller details are here and the software is available on this page

The wireless router is I think a great general purpose computing engine once a bit of I/O is added via the 1-wire interface. I've already got a second one looking after my irrigation system and one being planned with a webcam for remote telescope operation :-)

Robin down under - or are you up over
 
Downwind

Guru

Joined: 09/09/2009
Location: Australia
Posts: 2333
Posted: 02:18am 06 Nov 2009
Copy link to clipboard 
Print this post

Nice artical Robin
Got me thinking. (Hmmm not a good thing me thinking)
I can see a project coming here.
I might need to digest it again when i get to the project and ask you a few questions.
Wont be for a while though too many things on the go at the moment to complete.
I have a nephew that has barstedized a few of these routers for various uses to. it never crossed my mine to use one here.
A decent ant. and range is unlimited almost. Well a few Km anyhow.
Do you have more to your artical as gizmo may be interested in doing a front page on it.

Thanks for sharing
Pete.
Sometimes it just works
 
Print this page


To reply to this topic, you need to log in.

The Back Shed's forum code is written, and hosted, in Australia.
© JAQ Software 2026