Home
JAQForum Ver 24.01
Log In or Join  
Active Topics
Local Time 04:23 23 Apr 2026 Privacy Policy
Jump to

Notice. New forum software under development. It's going to miss a few functions and look a bit ugly for a while, but I'm working on it full time now as the old forum was too unstable. Couple days, all good. If you notice any issues, please contact me.

Forum Index : Electronics : Charge controller

     Page 4 of 4    
Author Message
Downwind

Guru

Joined: 09/09/2009
Location: Australia
Posts: 2333
Posted: 12:54pm 23 Jul 2010
Copy link to clipboard 
Print this post

Im not a real fan of screws/probes to monitor fluid levels unless they have AC or a square wave to the sensors as electrolis builds resistance fast on the probes and the whole system fails.

I am commenting here without seeing the circuit so it might not be relavent to to the system you are talking about, but common to lots of other circuits for fluid level sensing.

Pete.
Sometimes it just works
 
Shelly
Newbie

Joined: 22/12/2009
Location: Spain
Posts: 25
Posted: 05:39pm 23 Jul 2010
Copy link to clipboard 
Print this post

Hi,
Thanks readyakira for looking a diagram up. What I need is float switch to turn off a pump in case the water level falls too low, it's a fish pond! I also need another switch which spends most of its time under water to tell me when my water deposit needs filling. We don't have mains water. Sureelectonics sell one but it's for fitting through a tank wall. The idea I have for the water deposit is a length of plastic electrical conduit, a float at the bottom and a pair of contacts at the top to complete the circuit which then switches on a lamp or activates an arm, similar to an American post box.
As regards the controller, pieces have been ordered and on their way. The story will unfold!
 
Downwind

Guru

Joined: 09/09/2009
Location: Australia
Posts: 2333
Posted: 02:15pm 26 Jul 2010
Copy link to clipboard 
Print this post

Shelly

I seen these float switches on fleabay rather cheap and if you look in their store you will find lots more different ones.

Link Here.

Pete.
Sometimes it just works
 
sum_guy55

Newbie

Joined: 06/12/2009
Location: Australia
Posts: 5
Posted: 12:04am 29 Aug 2010
Copy link to clipboard 
Print this post

I'm building this charge controller for a f&p wind turbine and i would like to add an override switch where could i connect the switch to the circuit board to manually switch it to dump load?
 
Downwind

Guru

Joined: 09/09/2009
Location: Australia
Posts: 2333
Posted: 05:19am 29 Aug 2010
Copy link to clipboard 
Print this post

Hi,

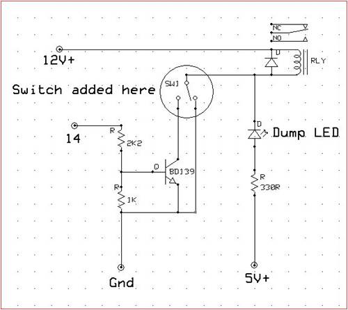
I add a manual dump switch between the transistor and the relay.

The transistor only switches ground to the relay so a toggle switch to switch ground direct to the relay is fine and it will leave the rest of the circuit non effected.






Pete.

Sometimes it just works
 
sum_guy55

Newbie

Joined: 06/12/2009
Location: Australia
Posts: 5
Posted: 07:47am 29 Aug 2010
Copy link to clipboard 
Print this post

Thanks fot that is there away to make the dump led switch on aswell?
 
Downwind

Guru

Joined: 09/09/2009
Location: Australia
Posts: 2333
Posted: 08:53am 29 Aug 2010
Copy link to clipboard 
Print this post

Yes. I move the dump Led to be powered by the transistor/switch.

Or you can just add a extra led if that suits you best.

This is how i do it.







Pete. Edited by Downwind 2010-08-30
Sometimes it just works
 
sum_guy55

Newbie

Joined: 06/12/2009
Location: Australia
Posts: 5
Posted: 12:22pm 29 Aug 2010
Copy link to clipboard 
Print this post

Sweet thanks a lot for your help.
 
Bub73

Senior Member

Joined: 10/12/2009
Location: United States
Posts: 116
Posted: 05:28pm 29 Aug 2010
Copy link to clipboard 
Print this post

If you use a center off switch it will allow the relay to be switched off if you need to do a equalizing charge or something.

Bob
 
Downwind

Guru

Joined: 09/09/2009
Location: Australia
Posts: 2333
Posted: 05:44pm 29 Aug 2010
Copy link to clipboard 
Print this post

You could Bob, but it could also be a recipe for a disaster, by mistakenly switching to the centre position, and thinking it was switched to auto.(transistor)

I think i would add a seperate switch to disable the dump control and have a good bright indicator on it to show it was disabled.

A power switch to the circuit would do the job.

Just my thoughts.

Pete.
Sometimes it just works
 
Bub73

Senior Member

Joined: 10/12/2009
Location: United States
Posts: 116
Posted: 07:13pm 29 Aug 2010
Copy link to clipboard 
Print this post

Yes Pete; Use Caution ...
I have one controller wired this way ( not in use any longer) and thought something like an alarm clock should be used with this mode; for a audible and perhaps time controlled alarm.
Since I started using desulfators I haven't needed an equalizing charge so use caution if using a center off switch.

Bob
Edited by Bub73 2010-08-31
 
sum_guy55

Newbie

Joined: 06/12/2009
Location: Australia
Posts: 5
Posted: 08:05am 30 Aug 2010
Copy link to clipboard 
Print this post

It's all good the switch I'm using has no center off position.
 
Shelly
Newbie

Joined: 22/12/2009
Location: Spain
Posts: 25
Posted: 09:26pm 30 Aug 2010
Copy link to clipboard 
Print this post

Hi Downunder!,
Just to let you know that the controller now works, or at least it would if there was sufficient wind. Thanks for all your help.
 
Bub73

Senior Member

Joined: 10/12/2009
Location: United States
Posts: 116
Posted: 12:41am 31 Aug 2010
Copy link to clipboard 
Print this post

Hi Shelly;

I'm glad you got it working, its always good to hear when some one post back with success.

Bob
 
     Page 4 of 4    
Print this page


To reply to this topic, you need to log in.

The Back Shed's forum code is written, and hosted, in Australia.
© JAQ Software 2026