Home
JAQForum Ver 24.01
Log In or Join  
Active Topics
Local Time 18:36 27 Apr 2026 Privacy Policy
Jump to

Notice. New forum software under development. It's going to miss a few functions and look a bit ugly for a while, but I'm working on it full time now as the old forum was too unstable. Couple days, all good. If you notice any issues, please contact me.

Forum Index : Microcontroller and PC projects : Intel N100 Radxa X4 with RP2040

Author Message
PhenixRising
Guru

Joined: 07/11/2023
Location: United Kingdom
Posts: 1856
Posted: 05:22am 19 Aug 2024
Copy link to clipboard 
Print this post

Might be fun :)


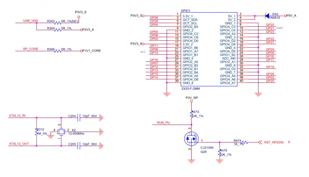
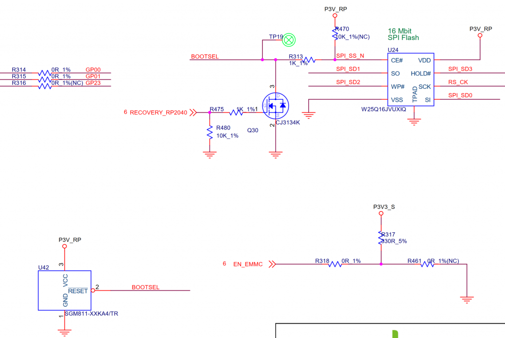
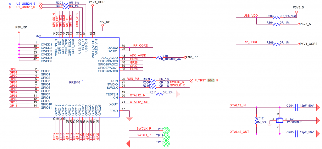
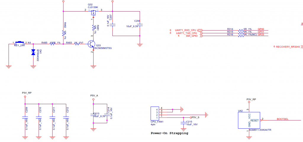
Schematic
Edited 2024-08-19 15:27 by PhenixRising
 
PhenixRising
Guru

Joined: 07/11/2023
Location: United Kingdom
Posts: 1856
Posted: 06:23am 19 Aug 2024
Copy link to clipboard 
Print this post

OK, I'm in love  


 
lew247

Guru

Joined: 23/12/2015
Location: United Kingdom
Posts: 1709
Posted: 08:26am 19 Aug 2024
Copy link to clipboard 
Print this post

Interesting.. but what can you actually do with it ?

The 2040 has 16Mb SPI flash attached
















Edited 2024-08-19 18:48 by lew247
 
PhenixRising
Guru

Joined: 07/11/2023
Location: United Kingdom
Posts: 1856
Posted: 09:16am 19 Aug 2024
Copy link to clipboard 
Print this post

  lew247 said  Interesting.. but what can you actually do with it ?


I normally use a rugged Android tablet for the HMI, linked to the Mite(s) via Bluetooth.
This has been well received but I'm getting rumblings from some clients who would prefer a Windoze HMI.

I use a N100-based mini-computer on my desktop and I'm really liking it. If I am forced to come-up with a Windoze front-end, then this or the LattePanda Mu might be the way to go.
 
Mixtel90

Guru

Joined: 05/10/2019
Location: United Kingdom
Posts: 8781
Posted: 10:11am 19 Aug 2024
Copy link to clipboard 
Print this post

It's aimed at the same market as the Pi 5 and Pi 6, I think. Only it's a Windows box with GPIO. Interesting if anyone will write supporting firmware/software.
Mick

Zilog Inside! nascom.info for Nascom & Gemini
Preliminary MMBasic docs & my PCB designs
 
Print this page


To reply to this topic, you need to log in.

The Back Shed's forum code is written, and hosted, in Australia.
© JAQ Software 2026