Home
JAQForum Ver 24.01
Log In or Join  
Active Topics
Local Time 14:11 28 Apr 2026 Privacy Policy
Jump to

Notice. New forum software under development. It's going to miss a few functions and look a bit ugly for a while, but I'm working on it full time now as the old forum was too unstable. Couple days, all good. If you notice any issues, please contact me.

Forum Index : Microcontroller and PC projects : PM: VGA USB version - no VGA....

     Page 1 of 4    
Author Message
Grogster

Admin Group

Joined: 31/12/2012
Location: New Zealand
Posts: 9936
Posted: 04:50am 02 Mar 2024
Copy link to clipboard 
Print this post

Hi all.

I got five prototypes of Peter's latest design(version 1.0) made, and one was a dud, but the other four programmed fine - but NONE of them output any VGA.

The monitor keeps turning off, as there is no VGA signal.

Does this new board have a special new PM firmware?
I am using bog-standard PM VGA firmware version 5.07.07 - should that be working?

LED1 is blinking away happily on all four of these boards, so the FW appears to be running fine, but I have no VGA output - on ANY of the boards.

Anyone got any ideas about what is going on or something I should have done but have missed in the plethora of posts and threads?  
Smoke makes things work. When the smoke gets out, it stops!
 
Turbo46

Guru

Joined: 24/12/2017
Location: Australia
Posts: 1692
Posted: 05:38am 02 Mar 2024
Copy link to clipboard 
Print this post

I believe Peter has made the VGA output pins configurable. Not sure where to find it at the moment.

Bill
Keep safe. Live long and prosper.
 
Turbo46

Guru

Joined: 24/12/2017
Location: Australia
Posts: 1692
Posted: 05:55am 02 Mar 2024
Copy link to clipboard 
Print this post

From the manual:



Don't know if it affects that board though.

Bill
Keep safe. Live long and prosper.
 
Grogster

Admin Group

Joined: 31/12/2012
Location: New Zealand
Posts: 9936
Posted: 05:59am 02 Mar 2024
Copy link to clipboard 
Print this post

Good to know.  

So, is there a default FW I should be using on the new board?
Perhaps Peter customized the pinout for his new board, and I need to be using a FW based on that?
Smoke makes things work. When the smoke gets out, it stops!
 
Turbo46

Guru

Joined: 24/12/2017
Location: Australia
Posts: 1692
Posted: 06:32am 02 Mar 2024
Copy link to clipboard 
Print this post

USB VGA



Geoff's



It looks like they have changed. I guess you need the latest firmware from Geoff's site and use the OPTIONS VGA PINS setting to match.

Bill
Keep safe. Live long and prosper.
 
Volhout
Guru

Joined: 05/03/2018
Location: Netherlands
Posts: 5862
Posted: 07:05am 02 Mar 2024
Copy link to clipboard 
Print this post

50900 firmware
Option settings printed at th bottom side of the board.
PicomiteVGA PETSCII ROBOTS
 
robert.rozee
Guru

Joined: 31/12/2012
Location: New Zealand
Posts: 2508
Posted: 07:10am 02 Mar 2024
Copy link to clipboard 
Print this post

hi Grogster,
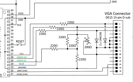
   if you lift R39 and R40 you can probably wire them across to the standard pins available on the 40-pin connector. then disconnect the audio and wire that to the standard audio pins - are there standard pins for audio?


cheers,
rob   :-)

Footnote added 2024-03-02 18:03 by robert.rozee
remove R34 and R35 to reroute the audio. schematic is here:
https://github.com/UKTailwind/PicoMiteVGAUSB/blob/main/Schematic.pdf
Schematic.pdf
 
bigmik

Guru

Joined: 20/06/2011
Location: Australia
Posts: 2980
Posted: 07:17am 02 Mar 2024
Copy link to clipboard 
Print this post

GDay Grogster, All,

On Peter's new PCB he has used GPIO that is not normally available on the Pico.

He used GP23 & GP24 for Hsync and Vsync, neither is available on a standard Pico.

Peter has released different version Firmware for his board. Off hand, I am not sure where to find the latest version for those boards.

Using the standard firmware you need to set the pins used for the VGA pins.

Look up OPTION VGA PINS HSYNCpin, BLUEpin

I believe the correct option would be

OPTION VGA PINS GP23, GP18

He has also brought out GP29 but I don't think it does anything except go to the expansion header.

Regards

Mick (The big one)
Edited 2024-03-02 17:19 by bigmik
Mick's uMite Stuff can be found >>> HERE (Kindly hosted by Dontronics) <<<
 
matherp
Guru

Joined: 11/12/2012
Location: United Kingdom
Posts: 11250
Posted: 08:23am 02 Mar 2024
Copy link to clipboard 
Print this post

The configuration required is on the bottom of the board. The normal firmware for this board is the PicoMiteVGAUSB since it is specifically designed with a USB-A connector. You could run the normal PicoMite firmware but in this case you would be using the USB-A connector as the CDC port but WHY?
Changing the H/W would be ridiculous, there are other designs for the standard firmware.
Edited 2024-03-02 18:24 by matherp
 
robert.rozee
Guru

Joined: 31/12/2012
Location: New Zealand
Posts: 2508
Posted: 08:35am 02 Mar 2024
Copy link to clipboard 
Print this post

Peter - are you saying that the picomite VGA USB firmware you are creating will not run out-of-the-box on any of the standard picomite boot-to-basic PCB's as, for example, published in Silicon Chip Magazine?

it makes absolutely no sense to deviate from the existing GP16-17, GP18-21 usage for VGA that has been used by everyone since the picomite VGA began.


cheers,
rob   :-)
 
matherp
Guru

Joined: 11/12/2012
Location: United Kingdom
Posts: 11250
Posted: 08:45am 02 Mar 2024
Copy link to clipboard 
Print this post

  Quote  it makes absolutely no sense


Why not read the code or try it before commentating/asking?
Edited 2024-03-02 18:47 by matherp
 
robert.rozee
Guru

Joined: 31/12/2012
Location: New Zealand
Posts: 2508
Posted: 08:55am 02 Mar 2024
Copy link to clipboard 
Print this post

why not just answer what is a simple question?
 
Mixtel90

Guru

Joined: 05/10/2019
Location: United Kingdom
Posts: 8781
Posted: 09:07am 02 Mar 2024
Copy link to clipboard 
Print this post

The USB Edition 1.0 that I have is fine on VGA.
OPTION VGA PINS GP23, GP18 (as written on the bottom of the PCB).




Rob:
The firmware is standard. All you have here is a board that won't run with earlier versions of the firmware.
It makes a lot of sense when you are laying out a PCB and it's not easy to get to the original pins. It can save hours of frustration. It's stuff like this that OPTIONs are for. They configure MMBasic for the system hardware.
Edited 2024-03-02 19:11 by Mixtel90
Mick

Zilog Inside! nascom.info for Nascom & Gemini
Preliminary MMBasic docs & my PCB designs
 
robert.rozee
Guru

Joined: 31/12/2012
Location: New Zealand
Posts: 2508
Posted: 09:18am 02 Mar 2024
Copy link to clipboard 
Print this post

  Mixtel90 said  The firmware is standard. All you have here is a board that won't run with earlier versions of the firmware.


           

we clearly have different understandings of the word "standard"!
 
Mixtel90

Guru

Joined: 05/10/2019
Location: United Kingdom
Posts: 8781
Posted: 09:23am 02 Mar 2024
Copy link to clipboard 
Print this post

But you can't freeze MMBasic development unless you can also freeze development on its platforms. :)

Don't worry, you'll probably find a load of designs using OPTION VGA PINS soon. Especially some of mine as I don't like being limited to particular functions for particular pins. You'll soon get to appreciate it if you lay some boards out. :)
Mick

Zilog Inside! nascom.info for Nascom & Gemini
Preliminary MMBasic docs & my PCB designs
 
Volhout
Guru

Joined: 05/03/2018
Location: Netherlands
Posts: 5862
Posted: 09:29am 02 Mar 2024
Copy link to clipboard 
Print this post

Hi Robert,

Fact is that the Raspberry Pi pico has only so many pins. By removing it from its carrier, using the RP2040 chip in a design you free up 4 more pins (-or- you can give them a new function).

For the new platform Peter has chosen to use these pins.

And he made the new V50900 firmware compatible with old and new hardware designs. To be configured through OPTION's.

But it is obvious the old firmware (tied to the original Silicon Chip design) was not prepared for the future. If that would be a requirement, we would all still be using Commodore basic V2.....

So.. use the new firmware on the new boards. And set the OPTIONS.
So...use the new firmware on the old boards. And set the OPTIONS when the default does not work.

Volhout

P.S. I have said this before, part of the good thing of picomite VGA was that the VGA pins and PS2 pins where fixed over all firmware versions up to V50800. That made that most of the software that was forced to use other pins (free pins) would work on all home-brew platforms for the pico. (PicoGameVGA, and many of the small designs Mick made). That reference is shifted now. If Only the RP2040 chip had 100+pins, more RAM, and M3 core, but would not that be a STM32F4xx or so....or a STM32H743...
Edited 2024-03-02 19:35 by Volhout
PicomiteVGA PETSCII ROBOTS
 
robert.rozee
Guru

Joined: 31/12/2012
Location: New Zealand
Posts: 2508
Posted: 09:29am 02 Mar 2024
Copy link to clipboard 
Print this post

it sure is great when beginners load up the firmware and it doesn't work. or when they type in something that requires OPTION RESET to fix and suddenly the screen disappears.
 
Volhout
Guru

Joined: 05/03/2018
Location: Netherlands
Posts: 5862
Posted: 09:38am 02 Mar 2024
Copy link to clipboard 
Print this post

  robert.rozee said  it sure is great when beginners load up the firmware and it doesn't work. or when they type in something that requires OPTION RESET to fix and suddenly the screen disappears.


True...
Maybe the USB versions of the picomite would default to the new pinout Peter has proposed by doing these new boards. So they would run out of the box.

And for those who put the wrong version on the wrong board...they need to RTFM (Read The F*ck*ng Manual).

Volhout

P.S. Grogster is not a beginner, he could have known: not to expect 1 year old firmware to have functions that have just been designed 4 weeks ago.
Edited 2024-03-02 19:41 by Volhout
PicomiteVGA PETSCII ROBOTS
 
robert.rozee
Guru

Joined: 31/12/2012
Location: New Zealand
Posts: 2508
Posted: 09:46am 02 Mar 2024
Copy link to clipboard 
Print this post

but does this mean we will need to have two (or more) versions of the picomite VGA USB firmware? i've lost track of where we are currently at - standard, wifi enabled, VGA+PS/2, VGA+USB? now we may need VGA+USB(old) and VGA+USB(new)...


addendum: Volhout, i see what you mean     Grogster is loading up the 'standard' firmware onto a 'VGA+USB(new)' board. it still remains, however, that Peter appears to have swapped round some of the pins used for VGA. if not, then Grogster would at least be able to see output on the screen.

myself, i have been playing around with VGA+USB(old) firmware that works with the standard VGA pinouts (GP16-17, GP18-21). i have no plans of changing as i've needed to make use of OPTION RESET several times and have absolutely no desire to type in magic incantations blind!



cheers,
rob   :-)
Edited 2024-03-02 19:56 by robert.rozee
 
matherp
Guru

Joined: 11/12/2012
Location: United Kingdom
Posts: 11250
Posted: 09:50am 02 Mar 2024
Copy link to clipboard 
Print this post

All my boards have full configuration details silkscreened on them. If you ignore them then they don't work as expected - there's a surprise
 
     Page 1 of 4    
Print this page
The Back Shed's forum code is written, and hosted, in Australia.
© JAQ Software 2026